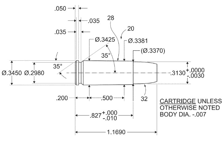
Coming Soon? – The 8mm Super Carry
Someone at Vista Outdoors must have been huffing Hoppes No. 9 and binge-watching Forgotten Weapons videos:
“Let’s revive the 7.65mm French Longue as a modern high-performance, self-defense cartridge!”
Copy and paste this URL into your WordPress site to embed
Copy and paste this code into your site to embed